![SV-PRO[可編程智能中控]](http://www.svs.cn/UploadFile/%E4%BA%A7%E5%93%81%E4%B8%AD%E5%BF%83/%E4%B8%AD%E6%8E%A7/400/SV-PRO.jpg)
參數配置
第七代會議中控,更加穩定、可靠。
主機內置CPU和超大內存支持各種編程邏輯的應用;
前面板帶有LED指示燈,實時反饋對應串口的通訊狀態;
集成紅外控制模塊,內置學習和存儲,支持紅外數據批量導入導出;
具備多路RS-232/RS-485控制接口,可自定義用于連接各類型第三方設備;
具備多路弱繼電器,可控制設備開關或升降;
具備多路IO接口,可通過定義IO口作為串口數據通訊的起始條件;
支持PC單機/網絡軟件、有線/無線觸摸屏、支持Android和IOS平板操作平臺控制;
安裝尺寸:標準19英寸機柜。
產品尺寸圖:

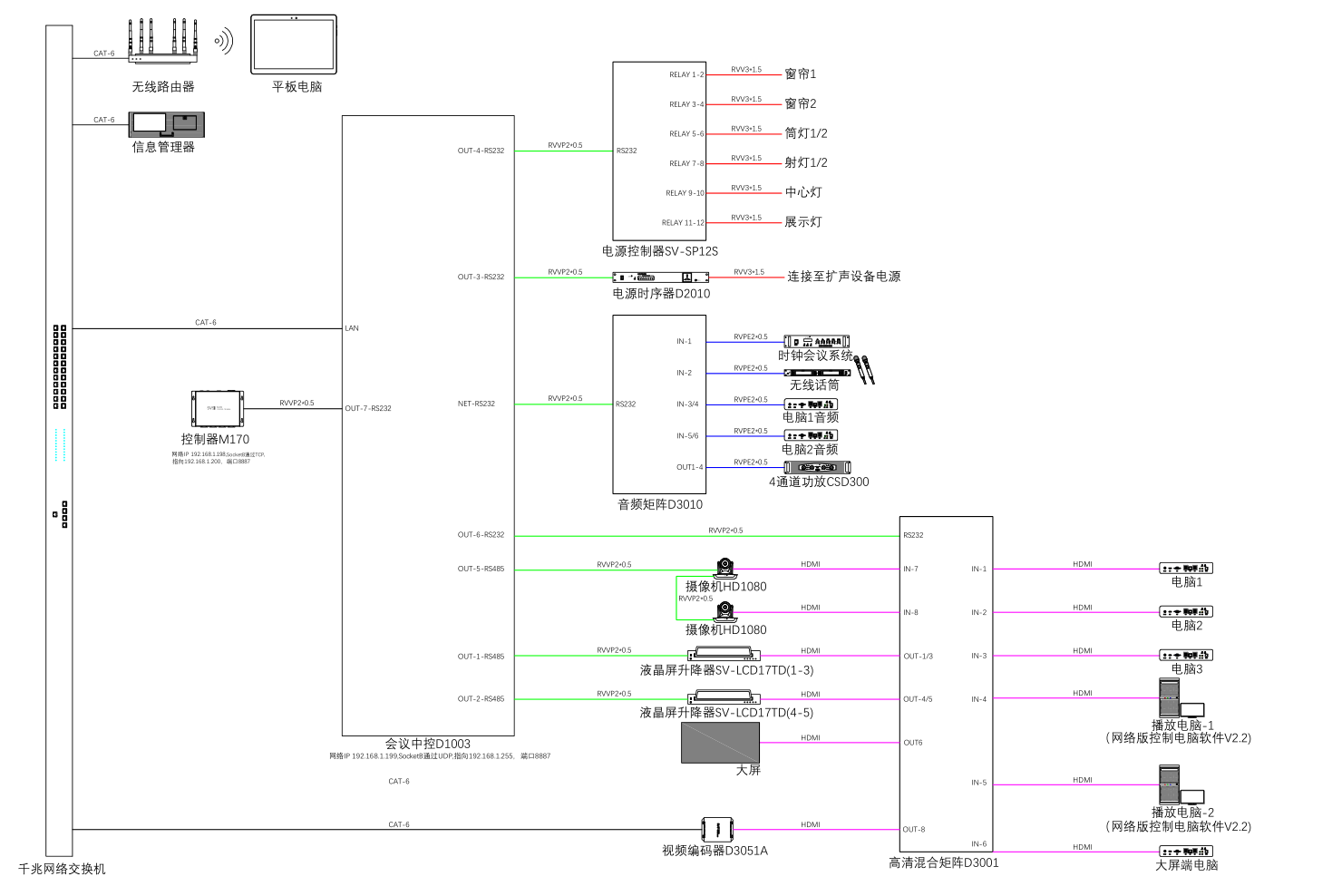
系統示意圖:

重慶迅控員工參觀InfoComm(圖文)
InfoComm International® 是專業視聽與信息通信行業的國際貿易協會。InfoComm成立于1939年,迄今已擁有 5,000 名來自80多個國家的企業和...